Invia richiesta
Agitatore a a pale larghe  Ekato inutilizzato EX protetto
Sku K0074

Agitatore a a pale larghe Ekato inutilizzato EX protetto

Prezzo su richiesta
Prezzo cadauno, IVA escl.
1 pezzo a maggazino

Select „share“ below, in order to generate an email template with the link to this corresponding product.

Share this product with someone

Generali Informazioni
Posizione
Außenlager Hedingen, Schweiz
Stato
non usato
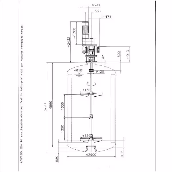
Agitatori
Documentazione tecnica
Disegno ,diverse documentazioni
ceritficato EX
motore antideflagrante (la conformità alle nuove direttive ATEX deve essere verificata, tenendo conto delle leggi vigenti locali)
Produttore Agitatore
Ekato
Elemento miscelante
Agitatore a pala
Collocazione Agitatore
on the tank
Motore
14-73 rpm
Voltaggio
400 Volt
Potenza
30 KW
Materiale a contatto con il prodotto
AISI316Ti 1.4571
targa identificativa
lunghezza albero
4990 mm
diametro albero
120 mm
diametro elemento miscelante
1300 mm
Carrello